地 址: 河南省巩义市西村工业区
联系人: 庞经理
手 机: 15617617287
15038001853
E_mail: gyltgd@126.com
网 址: http://www.dcczyzsls.com/
http://www.gyltgdc.com/
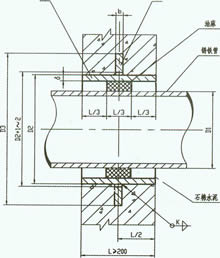
刚性黄瓜色视频在线观看适用于管道穿墙处不受管道振动和伸缩的构(建)筑物。对于有地震设防要求的地区,如采用刚性黄瓜色视频在线观看,应在进入池壁或建筑物外墙的管道上就近设置柔性连接。A型适用于钢管,B、C型适用于球墨铸铁管及铸管。
刚性防水翼环适用于管道穿墙处不受管道振动和伸缩的构(建)筑物,适用于管道穿墙处空间有限或管道安装先于构(建)筑物或管道的更新改造。对于有地震设防要求的地区,如采用刚性防水翼环,应在进入池壁或建筑物外墙的管道上就近设置柔性连接。
C型刚性黄瓜色视频在线观看适用于管道穿墙处不承受管道振动和伸缩变形的构(建)筑物,对于地震设防要求的地区,如采用刚性黄瓜色视频在线观看,应在进入池壁或建筑物外墙的管道上就近设置柔性连接,C型适用于球墨铸铁管。
技术参数:
刚性黄瓜色视频在线观看(C型)尺寸表、重量表
|
DN |
D1 |
D2 |
D3 |
D4 |
δ |
C |
重量 |
|
|
铸铁管 |
球墨铸铁管 |
|||||||
|
75 |
93 |
- |
115 |
135 |
245 |
12 |
10 |
9.25 |
|
100 |
118 |
118 |
140 |
160 |
270 |
12 |
10 |
10.89 |
|
150 |
169 |
170 |
190 |
220 |
330 |
16 |
12 |
21.12 |
|
200 |
220 |
220 |
240 |
270 |
380 |
16 |
12 |
25.91 |
|
250 |
271.6 |
274 |
295 |
325 |
435 |
16 |
12 |
31.17 |
|
300 |
322.8 |
326 |
377 |
380 |
500 |
16 |
12 |
37.40 |
|
350 |
374 |
378 |
400 |
435 |
555 |
20 |
16 |
50.66 |
|
400 |
425.6 |
429 |
450 |
485 |
605 |
20 |
16 |
56.45 |
|
450 |
476.8 |
- |
500 |
535 |
655 |
20 |
16 |
62.24 |
|
500 |
528 |
532 |
555 |
595 |
735 |
22 |
18 |
81.94 |
|
600 |
630.8 |
635 |
660 |
700 |
840 |
22 |
18 |
96.27 |
|
700 |
733 |
738 |
760 |
805 |
945 |
26 |
20 |
126.1 |
|
800 |
836 |
842 |
865 |
910 |
1050 |
26 |
20 |
142.4 |
|
900 |
939 |
945 |
970 |
1020 |
1160 |
28 |
20 |
175.3 |
|
1000 |
1041 |
1048 |
1075 |
1125 |
1265 |
28 |
20 |
193.3 |
|
1100 |
1144 |
- |
1170 |
1225 |
1365 |
30 |
24 |
229.4 |
|
1200 |
1246 |
1255 |
1280 |
1335 |
1475 |
30 |
24 |
250.0 |